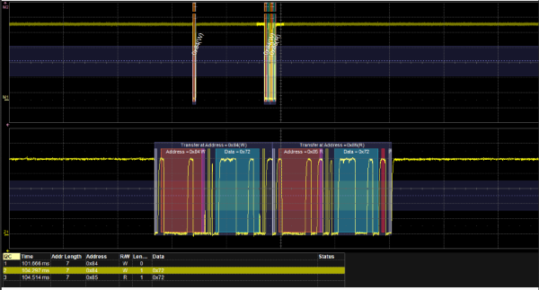
Teledyne LeCroy decoders apply software algorithms to extract serial data information from physical layer waveforms measured on your oscilloscope. The extracted information is displayed over the actual physical layer waveforms, color coded to provide fast, intuitive understanding of the relationship between message frames and other, time
synchronous events..
Trigger the oscillosocpe upon finding specific message frames, data patterns, or errors in serial data streams.
Conditional filtering at different levels enables you to target the trigger to a single message or a range of matching
data.
The PROTObus MAG option adds a protocol-specific set of measurements to the oscilloscope’s standard
measurement capabilities and enables you to quickly plot the measurement results.
Measurement data can be viewed as a Histogram, Track, or Trend plot of the digitally encoded data values for a
specific input versus time. These plots effectively perform a digital-to-analog conversion that can be viewed right next
to the decoded waveform.
Measurements can be filtered to include only the specified frame types, IDs, or data patterns. As with all traces, you
can set a gate to restrict measurements to a horizontal range of the grid corresponding to a specific time segment of
the acquisition.


